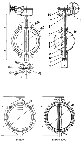
| 11 | 1 | Штурвал | Ковкий чугун |
| 10 | 1 | Редуктор | Ковкий чугун |
| 9 | 1 | Крышка | Ковкий чугун |
| 8 | Вкладыш | Медный сплав | |
| 7 | 1 | Кольцевая прокладка | Нитрил |
| 6 | Вкладыш | Медный сплав | |
| 5 | 1 | Манжета |
Жаростойкий ЭПДМ |
| 4 | Шпонка | Нерж.сталь 410 | |
| 3 | 1 | Диск | Нерж.сталь CF8M |
| 2 | Шток | Нерж.сталь 410 | |
| 1 | 1 | Корпус |
Ковкий чугун EN-GJS400-15 |
| Поз. | Кол-во | Описание | Материал |
| Ду | A | B | C | ØD | Ø2 | ISO | ØD2 | ØD3 | ØD4 | n1‐Ø1 | ØD1 | n‐Ø | 4‐M | &° | J |
Вес (кг) |
|
| мм | дюйм | ||||||||||||||||
| 350 | 14" | 368 | 267 | 76,5 | 333,5 | 31,6 | F14 | 175 | 140 | 100 | 4‐18 | 470 | 16‐28 | ‐ | 22,5 | 8 | 70 |
| 400 | 16" | 400 | 309 | 102 | 389,6 | 37,9 | F14 | 175 | 140 | 100 | 4‐18 | 525 | 16‐31 | ‐ | 22,5 | 10 | 99 |
| 450 | 18" | 422 | 340 | 114 | 440,5 | 37,9 | F14 | 175 | 140 | 100 | 4‐18 | 585 | 20‐31 | ‐ | 18 | 10 | 119 |
| 500 | 20" | 442 | 365 | 127 | 491,6 | 45,7 | F14 | 175 | 140 | 100 | 4‐18 | 650 | 20‐34 | ‐ | 18 | 14 | 126 |
| 600 | 24" | 562 | 459 | 151 | 592,5 | 50,6 | F16 | 210 | 165 | 130 | 4‐22 | 770 | 20‐37 | ‐ | 18 | 16 | 245 |
| 700 | 28" | 624 | 520 | 163 | 695 | 63,3 | F25 | 300 | 254 | 200 | 8‐18 | 840 | 20‐37 | 4‐M33 | 15 | 18 | 383 |
| 800 | 32" | 672 | 591 | 188 | 794,7 | 63,3 | F25 | 300 | 254 | 200 | 8‐18 | 950 | 20‐41 | 4‐M36 | 15 | 18 | 488 |
| 900 | 36" | 720 | 656 | 203 | 864,7 | 75 | F25 | 300 | 254 | 200 | 8‐18 | 1050 | 24‐41 | 4‐M36 | 12,85 | 20 | 651 |
| 1000 | 40" | 800 | 722 | 216 | 965 | 85 | F25 | 300 | 254 | 200 | 8‐18 | 1170 | 24‐44 | 4‐M39 | 12,85 | 22 | 840 |
| 1200 | 48" | 941 | 864 | 276 | 1160,6 | 105 | F30 | 350 | 298 | 230 | 8‐22 | 1390 | 28‐50 | 4‐M45 | 11,25 | 28 | 1229 |
| Ду | D1 | D2 | D3 | D4 | D5 | f | Ø1 | Ø2 | n‐M |
Фланец EN ISO |
n‐Ø1 | b | L | Крутящий момент, выходной вал затвора (Нм) | Редуктор | Крутящий момент*, выходной вал редуктора (Нм) | |||||
| мм | дюйм | 5211 | 5210 | Передаточное отношение | КПД I | КПД II | Кол-во оборотов | ||||||||||||||
| 350 | 14" | 175 | 140 | 125 | 102 | 70 | 3 | 20 | 31,6 | 4‐M16 | F14 | F10 | 4‐Ø12 | 6 | 30 | 610 | 532:1 | 0,47 | 0,33 | 133 | 11 |
| 400 | 16" | 175 | 140 | 125 | 102 | 70 | 3 | 20 | 37,9 | 4‐M16 | F14 | F10 | 4‐Ø12 | 6 | 30 | 890 | 532:1 | 0,47 | 0,33 | 133 | 17 |
| 450 | 18" | 175 | 140 | 125 | 102 | 70 | 3 | 20 | 37,9 | 4‐M16 | F14 | F10 | 4‐Ø12 | 6 | 30 | 1240 | 532:1 | 0,47 | 0,33 | 133 | 22 |
| 500 | 20" | 175 | 140 | 125 | 102 | 70 | 3 | 20 | 45,7 | 4‐M16 | F14 | F10 | 4‐Ø12 | 6 | 30 | 1670 | 532:1 | 0,47 | 0,33 | 133 | 27 |
| 600 | 24" | 210 | 165 | 125 | 102 | 70 | 3 | 20 | 50,6 | 4‐M20 | F16 | F10 | 4‐Ø12 | 6 | 30 | 2560 | 640:1 | 0,43 | 0,32 | 160 | 45 |
| 700 | 28" | 300 | 254 | 125 | 102 | 70 | 3 | 20 | 63,4 | 8‐M16 | F25 | F10 | 4‐Ø12 | 6 | 45 | 3720 | 704:1 | 0,43 | 0,27 | 176 | 60 |
| 800 | 32" | 300 | 254 | 175 | 140 | 100 | 4 | 30 | 63,4 | 8‐M16 | F25 | F14 | 4‐Ø18 | 8 | 45 | 5640 | 704:1 | 0,43 | 0,27 | 176 | 96 |
| 900 | 36" | 300 | 254 | 175 | 140 | 100 | 4 | 30 | 75 | 8‐M16 | F25 | F14 | 4‐Ø18 | 8 | 45 | 7650 | 848:1 | 0,47 | 0,27 | 212 | 91 |
| 1000 | 40" | 300 | 254 | 175 | 140 | 100 | 4 | 30 | 85 | 8‐M16 | F25 | F14 | 4‐Ø18 | 8 | 45 | 9800 | 848:1 | 0,47 | 0,27 | 212 | 126 |
| 1200 | 48" | 350 | 298 | 175 | 140 | 100 | 4 | 30 | 105 | 8‐M20 | F30 | F14 | 4‐Ø18 | 8 | 45 | 16800 | 1072:1 | 0,47 | 0,27 | 268 | 156 |
Поворотные дисковые затворы Tecofi — запорно-регулирующие устройства, предназначенные для установки на магистральных трубопроводах, транспортирующих различные типы сред. Арматура устанавливается между фланцами, которые привариваются к трубам.
Поворотные дисковые затворы серии VPE4449 имеют механический редуктор и оснащены фланцем для установки привода.
Межфланцевое устройство такого типа используется в трубопроводах низкого давления, а также в системах, не требующих особых условий герметичности.
Купить эти и другие модели вы можете в нашей компании по доступным ценам. Мы осуществляем оптовые и розничные продажи трубопроводной арматуры.


