Новые шаровые краны Danfoss JIP STANDARD представляют из себя запорные краны, разработанные для систем теплоснабжения для жидких сред. Стальные шаровые краны JiP Standard в основном предназначены для воды, соответствующей требованиями ПТЭ:
 • Требования к качеству сетевой воды,
 • Правила технической эксплуатации электрических станций и сетей Российской Федерации (ПТЭ) п. 4.8.40.
 Линейка состоит из стальных цельносварных шаровых кранов, рассчитанных на условное давление PN16 и имеющих присоединительные фланцы и патрубки в соответствии с ГОСТ. 
 Корпус крана изготовлен из углеродистой стали и не защищен от коррозии. Поэтому для предотвращения коррозии кран следует либо устанавливать в сухом помещении, либо покрыть влагонепроницаемой изоляцией, либо нанести на поверхность крана ЛКМ, предусмотренные проектом объекта.
 Особенности:
| DN, мм | Кодовый номер | 
| 15 | 065N9620 | 
| 20 | 065N9621 | 
| 25 | 065N9622 | 
| 32 | 065N9623 | 
| 40 | 065N9624 | 
| 50 | 065N9625 | 
| 65 | 065N9626 | 
| 80 | 065N9627 | 
| 100 | 065N9628 | 
| 125 | 065N9629 | 
| 150 | 065N9630 | 
| Деталь | Материал | 
| Корпус крана и патрубки | Сталь P235GH, сталь 20 или аналог | 
| Фланцы | Сталь P235GH, сталь 20 или аналог | 
| Шток | Нержавеющая сталь | 
| Шар | Нержавеющая сталь | 
| Кольцевые уплотнения шара | Тефлон PTFE, армирован- ный углеволокном | 
| Уплотнения штока | Тефлон PTFE, армирован- ный углеволокном, EPDM | 
| DN [мм] | 15 | 20 | 25 | 32 | 40 | 50 | 65 | 80 | 100 | 125 | 150 | 
| Кvs [м3/ч] | 11 | 15 | 34 | 52 | 96 | 104 | 136 | 252 | 403 | 716 | 1022 | 
| PN | 16 | ||||||||||
| Температурный диапазон | –40*...+150°C | ||||||||||
| Теплоноситель | Вода | ||||||||||
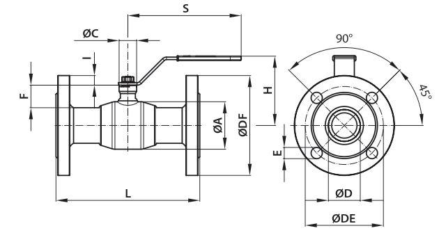
| мм | ØA | ØC | ØD | ØDF | ØDE | E | F | H | I | L | S | кг | 
| 15 | 42,4 | 24,5 | 15 | 95 | 65 | 4×14 | 38 | 98 | 3 | 130 | 160 | 2,2 | 
| 20 | 42,4 | 24,5 | 15 | 105 | 75 | 4×14 | 38 | 98 | -2 | 150 | 160 | 2,7 | 
| 25 | 48,3 | 24,5 | 20 | 115 | 85 | 4×14 | 38 | 101 | -3 | 160 | 160 | 3,2 | 
| 32 | 60,3 | 24,5 | 25 | 135 | 100 | 4×18 | 39 | 106 | -9 | 180 | 160 | 4,7 | 
| 40 | 76,1 | 34,4 | 32 | 145 | 110 | 4×18 | 57 | 126 | 7 | 200 | 180 | 6,5 | 
| 50 | 76 | 24 | 40 | 160 | 125 | 4×18 | 36,1 | 112 | 15,4 | 230 | 180 | 7,3 | 
| 65 | 102 | 26 | 51 | 180 | 145 | 4×18 | 41,1 | 126 | 10,9 | 270 | 240 | 10,1 | 
| 80 | 127 | 34,4 | 66 | 195 | 160 | 4×18 | 50,5 | 139 | 2,5 | 280 | 280 | 11,8 | 
| 100 | 159 | 34,4 | 81 | 215 | 180 | 8×18 | 54 | 152 | 0,5 | 300 | 280 | 16,3 | 
| 125 | 194 | 45 | 102 | 245 | 210 | 8×18 | 82,3 | 229 | 26,3 | 325 | 504 | 26,3 | 
| 150 | 219 | 45 | 127 | 280 | 240 | 8×22 | 77,5 | 260 | 17 | 350 | 641 | 33,7 | 
Краны шаровые JiP FF Standard- двухпозиционная запорная арматура с фланцевым соединением. Краны специально разработаны для систем централизованного теплоснабжения и горячего водоснабжения, в которых вода очищена с целью избежания коррозии. Также краны применимы для систем холодоснабжения.
 Краны имеют стандартный проход и фланцевое присоединение, поставляется с ручкой.
 Корпус кранов изготовлен из углеродистой стали
 Комплекты ответных фланцев, крепежа и прокладок поставляются отдельно.
	
 


