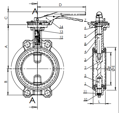
| 14 | 1 | Ручка | Ковкий чугун |
| 13 | 1 | Заклепка | Алюминий |
| 12 | 1 | Шильда | Нерж. сталь 304 |
| 11 | 2 | Стопорное кольцо | Сталь 65Mn |
| 10 | 1 | Пробка | Пластмасса |
| 9 | 1 | Вкладыш | Нерж. сталь 201 + F4 |
| 8 | 2 | Кольцевая прокладка | Нитрил |
| 7 | 1 | Пыльник | Нитрил |
| 6 | 1 | Стопорное кольцо | Нерж. сталь 201 |
| 5 | 1 | Нижний шток | Нерж. сталь 420 |
| 4 | 1 | Верхний шток | Нерж. сталь 420 |
| 3 | 1 | Манжета | Viton |
| 2 | 1 | Диск | Нерж. сталь CF8M |
| 1 | 1 | Корпус | Ковкий чугун EN‐GJS‐500‐7 |
| Поз. | Кол‐во | Описание | Материал |
| Ду | A | B | C | D | ØE | L | Вес (кг) | |
| мм | дюйм | |||||||
| 40 * | 1"1/2 | 135 | 52 | 52,5 | 180 | 75 | 32,5 | 2,1 |
| 50 | 2" | 140 | 60 | 52,5 | 180 | 84,5 | 42,5 | 2,7 |
| 65 | 2"1/2 | 150 | 70 | 52,5 | 180 | 104,5 | 45,5 | 3,1 |
| 80 | 3" | 156 | 91,6 | 52,5 | 180 | 123,5 | 45,5 | 3,5 |
| 100 | 4" | 169 | 90 | 52,5 | 180 | 139,5 | 51,5 | 4,4 |
| 125 | 5" | 190 | 105 | 52,5 | 220 | 169,5 | 55,5 | 6,3 |
| 150 | 6" | 200 | 120 | 52,5 | 220 | 196 | 55,5 | 7,75 |
| 200 | 8" | 224 | 158 | 65 | 450 | 247 | 59,5 | 14,3 |
| 250 | 10" | 265 | 197 | 65 | 450 | 304 | 67,5 | 20,55 |
| 300 | 12" | 303 | 230 | 65 | 450 | 358 | 77,5 | 28,6 |
| Уплотнение под заказ |
Максимальная температура |
Кратковременная температура |
| ЭПДМ | + 4°C / + 110°C | - 20°C / +130°C |
| Белый ЭПДМ | + 4°C / + 110°C | - 20°C / +130°C |
| CSM (Hypalon®) | + 4°C / +80°C | - 20°C / +110°C |
| FPM (Viton®) | - 10°C / +170°C | - 20°C / +200°C |
| Силикон | - 20°C / +170°C | - 40°C / +200°C |
| Нитрил (NBR) | - 10°C / +80°C | - 20°C / +90°C |
Межфланцевые поворотные дисковые затворы VPI4449 предназначены для эксплуатации в составе трубопроводов, транспортирующих различные типы рабочих сред, в том числе воду, сжатый воздух, морскую воду, кислоты и другие среды, за исключением пара.
Корпус затвора изготовлен из высокопрочного ковкого чугуна. Модель обеспечивает двухстороннюю герметичность по классу «А». Благодаря исполнению штока из двух частей улучшается пропускная способность. Диск изготовлен из нержавеющей стали, отличается малой толщиной и имеет специальную механическую обработку по краю, что обеспечивает постоянство крутящего момента.
Поворотные дисковые затворы Tecofi могут эксплуатироваться при температуре от -15 °C до +130 °C (при кратковременном воздействии — от -30 °C до +150 °C). Рабочее давление составляет до 16 бар.
