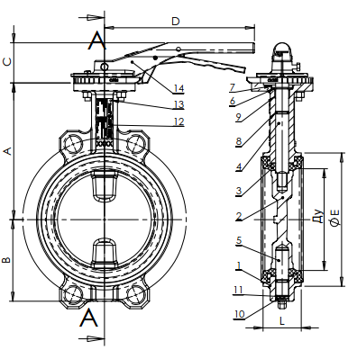
| 14 | 1 | Ручка | Ковкий чугун |
| 13 | 1 | Заклепка | Алюминий |
| 12 | 1 | Шильда | Нерж. сталь 304 |
| 11 | 2 | Стопорное кольцо | Сталь 65Mn |
| 10 | 1 | Пробка | Пластмасса |
| 9 | 1 | Вкладыш | Нерж. сталь 201 + F4 |
| 8 | 2 | Кольцевая прокладка | Нитрил |
| 7 | 1 | Пыльник | Нитрил |
| 6 | 1 | Стопорное кольцо | Нерж. сталь 201 |
| 5 | 1 | Нижний шток | Нерж. сталь 420 |
| 4 | 1 | Верхний шток | Нерж. сталь 420 |
| 3 | 1 | Манжета | Жаростойкий ЭПДМ |
| 2 | 1 | Диск | Ковкий чугун EN‐GJS‐500‐7 |
| 1 | 1 | Корпус | Ковкий чугун EN‐GJS‐500‐7 |
| Поз. | Кол-во | Описание | Материал |
| Ду | A | B | C | D | ØE | L | Вес (кг) | |
| мм | дюйм | |||||||
| 40 * | 1"1/2 | 135 | 52 | 52,5 | 180 | 75 | 32,5 | 2,1 |
| 50 | 2" | 140 | 60 | 52,5 | 180 | 84,5 | 42,5 | 2,7 |
| 65 | 2"1/2 | 150 | 70 | 52,5 | 180 | 104,5 | 45,5 | 3,1 |
| 80 | 3" | 156 | 91,6 | 52,5 | 180 | 123,5 | 45,5 | 3,5 |
| 100 | 4" | 169 | 90 | 52,5 | 180 | 139,5 | 51,5 | 4,4 |
| 125 | 5" | 190 | 105 | 52,5 | 220 | 169,5 | 55,5 | 6,3 |
| 150 | 6" | 200 | 120 | 52,5 | 220 | 196 | 55,5 | 7,75 |
| 200 | 8" | 224 | 158 | 65 | 450 | 247 | 59,5 | 14,3 |
| 250 | 10" | 265 | 197 | 65 | 450 | 304 | 67,5 | 20,55 |
| 300 | 12" | 303 | 230 | 65 | 450 | 358 | 77,5 | 28,6 |
| Уплотнение под заказ |
Максимальная температура |
Кратковременная температура |
| ЭПДМ | + 4°C / + 110°C | - 20°C / +130°C |
| Белый ЭПДМ | + 4°C / + 110°C | - 20°C / +130°C |
| CSM (Hypalon®) | + 4°C / +80°C | - 20°C / +110°C |
| FPM (Viton®) ** | - 10°C / +150°C | - 20°C / +150°C |
| Силикон ** | - 20°C / +150°C | - 40°C / +150°C |
| Нитрил (NBR) | - 10°C / +80°C | - 20°C / +90°C |
| 16 | 1 | Редуктор | |
| 15 | 4 | Шайба | Нерж. сталь 304 |
| 14 | 4 | Болт | Нерж. сталь 304 |
| 13 | 2 | Заклепка | Алюминий |
| 12 | 1 | Шильда | Нерж. сталь 304 |
| 11 | 2 | Стопорное кольцо | Сталь 65Mn |
| 10 | 1 | Пробка | Пластмасса |
| 9 | 1 | Вкладыш | Нерж. сталь 201 + F4 |
| 8 | 2 | Кольцевая прокладка | Нитрил |
| 7 | 1 | Пыльник | Нитрил |
| 6 | 1 | Стопорное кольцо | Нерж. сталь 201 |
| 5 | 1 | Нижний шток | Нерж. сталь 420 |
| 4 | 1 | Верхний шток | Нерж. сталь 420 |
| 3 | 1 | Манжета | Жаростойкий ЭПДМ |
| 2 | 1 | Диск | Ковкий чугун EN‐GJS‐500‐7 |
| 1 | 1 | Корпус | Ковкий чугун EN‐GJS‐500‐7 |
| Поз. | Кол‐во | Описание | Материал |
| Ду | A | B | C | G | ØE | X | V | Вес (кг) | |
| мм | дюйм | ||||||||
| 40* | 1"1/2 | 135 | 52 | 32,5 | 180 | 75 | 131,5 | 120 | 4,8 |
| 50 | 2" | 140 | 60 | 42,5 | 180 | 84,5 | 131,5 | 120 | 5,4 |
| 65 | 2"1/2 | 150 | 70 | 45,5 | 180 | 104,5 | 131,5 | 120 | 5,8 |
| 80 | 3" | 156 | 91,6 | 45,5 | 180 | 123,5 | 131,5 | 120 | 6,2 |
| 100 | 4" | 169 | 90 | 51,5 | 180 | 139,5 | 131,5 | 120 | 7,1 |
| 125 | 5" | 190 | 105 | 55,5 | 22 | 169,5 | 131,5 | 120 | 9,0 |
| 150 | 6" | 200 | 120 | 55,5 | 220 | 196 | 131,5 | 120 | 10,4 |
| 200 | 8" | 224 | 158 | 59,5 | 450 | 247 | 206 | 200 | 16,1 |
| 250 | 10" | 265 | 197 | 67,5 | 450 | 304 | 206 | 200 | 22,4 |
| 300 | 12" | 303 | 230 | 77,5 | 450 | 358 | 206 | 200 | 30,4 |
Поворотные дисковые затворы Tecofi VPI4448 рассчитаны на эксплуатацию с водой, сжатым воздухом и другими малоагрессивными средами, за исключением пара. Арматура имеет межфланцевое исполнение с гладкими проушинами.
Диск затвора выполнен из высококачественного ковкого чугуна с надежным эпоксидным покрытием. Конструкция диска отличается малой толщиной и специальной механической обработкой по краю, что обеспечивает постоянство крутящего момента. Манжета из жаростойкого ЭПДМ обеспечивает герметичность по классу «А».
В данной серии представлены поворотные дисковые затворы с проходным диаметром от 40 мм до 300 мм. Рабочее давление — до 16 бар.


