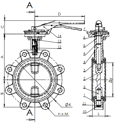
| 14 | 1 | Ручка | Ковкий чугун |
| 13 | 1 | Заклепка | Алюминий |
| 12 | 1 | Шильда | Нерж. сталь 304 |
| 11 | 2 | Стопорное кольцо | Сталь 65Mn |
| 10 | 1 | Пробка | Пластмасса |
| 9 | 1 | Вкладыш | Нерж. сталь 201 + F4 |
| 8 | 2 | Кольцевая прокладка | Нитрил |
| 7 | 1 | Пыльник | Нитрил |
| 6 | 1 | Стопорное кольцо | Нерж. сталь 201 |
| 5 | 1 | Нижний шток | Нерж. сталь 420 |
| 4 | 1 | Верхний шток | Нерж. сталь 420 |
| 3 | 1 | Манжета | Жаростойкий ЭПДМ |
| 2 | 1 | Диск | Cu Al10 Ni5 Fe4 |
| 1 | 1 | Корпус | Ковкий чугун EN‐GJS‐500‐7 |
| Поз. | Кол‐во | Описание | Материал |
| Ду | A | B | C | D | ØK | nxM | L | Вес (кг) | |
| мм | дюйм | ||||||||
| 40 | 1"1/2 | 135 | 52 | 52,5 | 180 | 110 | 4-M16 | 32,5 | 2,5 |
| 50 | 2" | 140 | 60 | 52,5 | 180 | 125 | 4-M16 | 42,5 | 3,1 |
| 65 | 2"1/2 | 150 | 70 | 52,5 | 180 | 145,0 | 4-M16 | 45,5 | 3,7 |
| 80 | 3" | 156 | 91,6 | 52,5 | 180 | 160,0 | 8-M16 | 45,5 | 4,9 |
| 100 | 4" | 169 | 90 | 52,5 | 180 | 180,0 | 8-M16 | 51,5 | 6,0 |
| 125 | 5" | 190 | 105 | 50 | 220 | 210,0 | 8-M16 | 55,5 | 9,4 |
| 150 | 6" | 200 | 120 | 50 | 220 | 240 | 8-M20 | 55,5 | 10,5 |
| 200 | 8" | 224 | 158 | 57 | 450 | 295 | 8-M20 | 59,5 | 20,7 |
| 250 | 10" | 265 | 197 | 57 | 450 | 350 | 12-M20 | 67,5 | 27,8 |
| 300 | 12" | 303 | 230 | 57 | 450 | 400 | 12-M20 | 77,5 | 35,6 |
| Уплотнение под заказ |
Максимальная температура |
Кратковременная температура |
| ЭПДМ | + 4°C / + 110°C | - 20°C / +130°C |
| Белый ЭПДМ | + 4°C / + 110°C | - 20°C / +130°C |
| CSM (Hypalon®) | + 4°C / +80°C | - 20°C / +110°C |
| FPM (Viton®) | - 10°C / +170°C | - 20°C / +200°C |
| Силикон | - 20°C / +170°C | - 40°C / +200°C |
| Нитрил (NBR) | - 10°C / +80°C | - 20°C / +90°C |
Поворотные дисковые затворы Tecofi данной серии используются в качестве запорной арматуры для трубопроводов, транспортирующих различные виды сред, включая пресную и морскую воду, кислоты, сжатый воздух. Не предназначены для работы с паром.
Корпус затвора изготовлен из высококачественного ковкого чугуна и имеет резьбовые проушины для крепления. Диск выполнен из нержавеющей стали, что обеспечивает высокую долговечность и надежность. Состоящий из двух частей шток обеспечивает повышенную пропускную способность.
Надежное уплотнение обеспечивает полную герметичность в обоих направлениях.
Поворотные дисковые затворы предлагаются в типоразмерах Ду40-Ду300. Рабочее давление составляет до 16 бар. Эксплуатация арматуры допускается при температуре от -15 °C до +130 °C (при кратковременном воздействии — от -30 °C до +150 °C).
